Передняя бабка для токарного станка своими руками
Первые токарные станки появились еще много лет назад, хотя были они очень простые и примитивные. Суппорт к тому времени всё еще не был изобретен и мастеру, при выполнении работы, приходилось постоянно удерживать резец и совершать вращение обрабатываемого элемента собственноручно или использовать для этой цели крепкую верёвку.
Соответственно, данное занятие было очень трудоёмким и требовало большой физической силы и выносливости работающего человека. Ко всему прочему такая производительность была на очень невысоком уровне.
История возникновения устройства
История токарного станка с суппортом начинается в 1712 году, когда Нартов Андрей Константинович – механик из России первым изобрел данный механизм. Это существенно упростило работу с устройством, ибо токарю теперь не нужно было собственноручно придерживать режущие инструменты во время обработки нужного элемента.
Это изобретение дало мощный толчок, за которым последовало стремительное развитие токарных станков по металлу и дереву.
Хоть создание токарного устройства и суппорта приписывают англичанину Модсли, но русский механик все же опередил его на семьдесят с лишним лет.
Главные составляющие части токарного станка
Такой агрегат, как токарный станок, независимо от модели, сложен с похожих конструктивных элементов, главным образом определяющих все возможности устройства.
Наименование главных составляющих конструкции токарно-винторезного станка:
- Станина – данный элемент токарного устройства служит ни чем иным как одной из основных опор для обеих бабок и является платформой для перемещения суппорта и задней бабки. Все элементы устройства крепятся на нее. Станина представляет из себя две продольные стеночки, которые для надежности и прочности соединяются поперечными ребрами. Передняя бабка токарного станка закрепляется по левую сторону станины, противоположная сторона – это место размещения задней бабки.
- Передняя бабка – придерживает и вращает по собственной оси обрабатываемую деталь. Во внутренней части данного элемента токарного станка находится шпиндель, совершающий обороты разной частоты в подшипниках качения и тем самым передает вращение обрабатывающейся детали. Внешние стороны обеих стеночек передней бабки оснащены рукоятками коробки скоростей, которые являются переключателями числа и скорости оборотов шпинделя. Инструкция правильного переключения этих ручников для того чтобы поставить необходимое количество оборотов находится в виде таблички из металла на внешней стороне стеночек передней бабки.
- Задняя бабка – поддерживает оставшуюся часть элемента в процессе обрабатывания. Дополнительно ее используют для установления других рабочих инструментов.
- Суппорт – перемещает режущее устройство во всех направлениях к оси токарного устройства.
- Коробка подач – для конструкции практически всех токарных станков характерен данный элемент, вращающий ходовой вал и ходовой винт и меняющий количество их оборотов вокруг своей оси. Существует большое количество систем коробок подач.
- Фартук – используется для изменения движений ходового вала.
- Категорически запрещено на данном устройстве одновременно включать механизм подачи от ходового вала вместе с замыканием маточной гайки на ходовом винте. Данное действие практически во всех случаях приводит к поломке элементов токарного устройства. Для предотвращения этого, в токарном станке находится специальный механизм, блокирующий полностью все устройство.
Основные составные и механизм действия передней бабки
Этот элемент токарного станка – один из основных деталей любого токарного устройства. Именно от него зависит точность расположения обрабатываемой детали и амплитуда ее движений. Кроме передней бабки на всех станках присутствует и задняя – на нее прикрепляется режущий инструмент. Обе бабки закрепляются на станине, которая является основой для любого станка, и имеют различие только своим местоположением.

Существуют еще и шлифовальные станки, на которых дополнительно закреплена третья специальная бабка для шлифовки, отвечающая за перемещение шлифовальной платформы данного устройства.
Существуют такие главные элементы токарного устройства, которые регулируют скорость оборачивания обрабатываемого элемента:
- Два подшипника.
- Шпиндель.
- Шкив.
- Специальная коробка скоростей, которая отвечает за изменение скорости вращения обрабатываемого элемента.
Главным элементом передней бабки токарного станка является шпиндель, основная задача которого состоит в том, чтобы регулировать движение оборачивания на обрабатываемый элемент.
По правую сторону, обращенную к задней бабке, прикреплена резьба. К ней присоединяются патроны, которые удерживают деталь, что обрабатывается. Шпиндель установлен на двух подшипниках, от которых в полной мере зависит точность выполненной работы.
Также во внутренней конструкции передней бабки закрепляется гитара шестерен. Они передают вращение с выходного вала коробки скоростей на вал коробки подач.
Корпус передней бабки является основной платформой для всех составляющих элементов. Его форма напрямую зависит от модели токарного устройства и бывает очень разнообразной. Нижняя поверхность корпуса гладкая, в шпунт, который находится посередине, закрепляются все направляющие.

На внешней стороне передней бабки токарного устройства установлена коробка скоростей, которая работает при помощи зубчатых передач.
Задняя бабка
Данный элемент токарного станка предназначен для того, чтобы поддерживать концы длинных деталей, когда обрабатываются их центральные части.
Также очень часто задняя бабка используется установления в ней сверл и прочих инструментов.
Шпиндель
Наименование данного элемента происходит с немецкого языка и переводится как «веретено». Эта деталь являет собой вал, который оснащен механизмом для крепления заготовки, которая обрабатывается. Обычно вал делается с отверстием, в котором обрабатываются пруты. Шейка шпинделя конусную или цилиндрическую форму.
Основные нормы в работе шпинделя:
- Точность оборачивания – оно настраивается, исходя от стандартов, и имеет прямую зависимость от предназначения самого устройства, его точности.
- Жесткость самого шпиндельного узла – данное требование также выполняется, исходя от общепринятых стандартов.
- Виброустойчивость – она ни в коем образе не является определителем качества обрабатываемой детали.
- Быстрота оборотов шпинделя – чем большая быстроходность этого узла, тем выше качество готового изделия.
- Несущая способность – этот параметр почти полностью зависит от качества шпиндельных опор и жидкости для смазки устройства.
- Долговечность – данный пункт зависит только от качества подшипников.
- Нагрев, допустимый для подшипников.
Одним из главных условий для того чтобы изготовляемая деталь была как можно точнее и аккуратнее обработана, является правильное кручение шпинделя. Он должен равномерно и легко вращаться.
Передняя бабка токарного станка своими руками
Передняя бабка для токарного станка без проблем изготовляется самостоятельно.
Для этой цели понадобится:
- Деревянная доска.
- Фанера, толщиной десять миллиметров.
- Тонкий лист металла, который разрезается специальными ножницами.
Переднюю бабку намного проще изготовить своими руками, если основой данного устройства составляет обычная ненужная дрель. После этого будет необходимо только смастерить подставку, которая впоследствии и будет закрепительной платформой для дрели, имеющая строгую горизонтальную ось.
Середину передней и середину задней бабки нужно обязательно надежно закреплять, это крайне необходимо. Для задней бабки необходимо заранее установить рамки возможностей оборачивания по оси и жесткое закрепление на месте.
Мощность электрического мотора следует подбирать самостоятельно, опираясь на предназначение токарного устройства. Хотя мощность двигателя не нужно брать на менее, чем на 250 Вт. В противном случае не удастся выточить ни одной необходимой детали.
Настройка токарного станка перед началом работы
Настроить токарный станок – это, прежде всего, подготовить кинематическую схему для работы, которая определяется технологической картой устройства.
Первым делом все элементы управления приводят в статическое положение.
Дальше идет настройка кинематической цепи основного движения. Тут же устанавливается требуемая скорость оборачивания шпиндельного узла. Эта величина является определителем скорости резания необходимого элемента.
Видео: передняя бабка токарного станка по дереву.
Небольшой токарный станок по дереву своими руками – особенности изготовления
Практически любой мастер по обработке дерева желает иметь собственный токарный станок. Если средств не хватает, его можно смастерить из доступных материалов.
Токарный станок по дереву самостоятельно изготовить не представляется сложным, если имеются начальные знания о том, что представляет собой данное устройство и его составляющие части.
С помощью небольшого токарного станка можно изготавливать любые детали и элементы в виде тел вращения.
Элементы токарного станка:
- Электромотор – для изготовления токарного станка можно использовать насосный мотор.
- Передняя бабка – отлично подойдет старое электрическое точило.
- Опора для резцов.
- Задняя бабка – изготовляется из дрели.
- Станина.
Для изготовления данного устройства потребуется:
- электрическая дрель;
- болгарка;
- напильники.
Основные особенности изготовления устройства:
- Ось вращения передней бабки должна быть прикреплена на оптимальной высоте.
- Электромотор следует крепить отдельно на другую платформу.
- Для разной породы дерева используются специальные резцы. Данные инструменты можно приобрести в наборе, по пятнадцать штук.
Можно сделать вывод, что с изготовлением токарного станка для обработки дерева справится даже начинающий мастер. Самое главное в этом деле – быть предельно аккуратным и строго соблюдать правила безопасности.
metmastanki.ru
| Иллюстрация | Описание этапа |
![]() | Подбираем материалы.
|
![]() | Собираем станину. Привариваем швеллеры к уголкам. Уголки должны располагаться по краям швеллеров на расстоянии 60 мм друг от друга. На собранный узел будут приходиться немалые нагрузки, поэтому качество сварных швов должно быть очень высоким. |
![]() | Привариваем опору под переднюю бабку. Заготовленную стальную пластину 300×300 мм располагаем на вершинах уголков и выравниваем. Привариваем пластину к уголкам. |
![]() | Свариваем салазки. К стальной пластине, как показано на фото, привариваем два куска уголка. Один уголок должен крепиться по короткому краю пластины 300×350 мм, а второй уголок — на расстоянии 60 мм от первого. |
![]() | Проверяем качество изготовления салазок. Устанавливаем собранный узел на раннее собранную станину. Салазки должны точно встать на направляющие и, при этом, не должны раскачиваться. |
![]() | Заготовка под подпорку. В уголке длиной 240 мм, с отступом от краев по 20 мм, сверлим по отверстию с диаметром на 12 мм. |
![]() | Делаем подпорку. Подготовленный уголок переворачиваем вершиной вниз и ввариваем, как показано на фото, стальную полосу. Высверливаем отверстия, которые должны совпасть с отверстиями в вершине уголка, и нарезаем в них резьбу. |
![]() | Отверстия для подпорки. В салазках, как показано на фото, сверлим по диагонали отверстия, которые совпадут с отверстиями, сделанными в уголке. Отверстия располагаются по диагонали и не доходят на 10 мм до уголков, приваренных в нижней части салазок. |
![]() | Привариваем гайки под направляющую. В промежутке между уголками привариваем две гайки под резьбовую шпильку. Гайки можно варить по центру зазора или со смещением. Важно, чтобы обе гайки располагались на линии параллельной краю уголков. |
![]() | Привариваем упор для шпильки. На торце станины, на месте задней бабки привариваем стальную полосу толщиной не менее 5 мм. В приваренной полосе сверлим сквозное отверстие, так, чтобы оно проходило по одной линии с центрами гаек, приваренных на салазках. |
![]() | Собираем узел станина/салазки. Шпильку пропускаем через гайки, приваренные в нижней части салазок и через боковой упор. |
![]() | Делаем рукоятку на шпильке. Со стороны задней бабки, гайками фиксируем шпильку так, чтобы она прокручивалась, но при этом не ходила вперёд-назад относительно упора. На конец шпильки приваривается ручка, как на фото. Ручку можно собрать из обрезка трубы и полосы металла. |
![]() | Сборка передней бабки. Передняя бабка — это каркас, который удерживает вал со шкивом. Размеры передней бабки будут зависеть от размеров найденного вами вала. В нашем случае, конструкция представляет собой металлический ящик с основанием 300×250 мм. |
![]() | Расположение вала. Вал устанавливаем в передней бабке так, чтобы центр установленного патрона проходил на 50 мм выше салазок. |
![]() | Установка двигателя. Двигатель крепится таким образом, чтобы ведомый и ведущий шкив на нем и на валу совпали. Кроме того, расстояние между шкивами подбирается с учетом длины ременной передачи. |
![]() | Заготовка под полозья резца. Поверх салазок, как показано на фото, привариваются два прутка, поверх которых одеты куски трубки. Трубки должны свободно, но плотно, перемещаться по пруткам. Прутки должны быть расположены параллельно по отношению друг к другу. |
![]() | Сборка узла подачи резца. К свободно ходячим отрезкам трубки приваривается пластина с приваренными в нижней части гайками. В передней части салазок устраивается петля под ворот, как раз напротив гаек на пластине. Через петлю в гайки вкручивается отрезок резьбовой шпильки. Конец шпильки со стороны петель поджимается контрящими гайками, и тут же приваривается рукоятка. |
![]() | Подставка под держатель резца. Поверх подвижной пластины на полозьях наваривается П-образная конструкция. По центру верхней площадки в П-образной конструкции строго вертикально приваривается кусок резьбовой шпильки. |
![]() | Изготовление и установка держателя резца. Из стальной пластины нарезается прямоугольник с размерами 150×200 мм. В центре пластины сверлится отверстие, в который зайдёт шпилька. По краям пластины также сверлятся отверстия, поверх которых подвариваются гайки. В эти гайки вкручиваются болты, которыми можно будет зажать резец. |
![]() | Монтаж патрона. К закреплённому валу крепится патрон. Крепление патрона может быть сваренным или на болтах. Установленный патрон должен надежно удерживаться на валу и должен быть отцентрован. |
![]() | Пробный запуск. Зажимаем в патроне заготовку и включаем токарный станок по металлу в сеть. Пробуем обточить заготовку в один проход. За раз снимаем металл не более 0,5 мм. |
kursremonta.ru
Чертежи с размерами токарный станок передняя бабка
Бабка передняя, самодельного токарного станка
Бабка из ступицы/Patron_D200_7100-0007_GOST_265-80/default.gear_stb_dat
Бабка из ступицы/Patron_D200_7100-0007_GOST_265-80/Втулка.m3d
Бабка из ступицы/Patron_D200_7100-0007_GOST_265-80/Головка ключа.m3d
Бабка из ступицы/Patron_D200_7100-0007_GOST_265-80/Ключ.a3d
Бабка из ступицы/Patron_D200_7100-0007_GOST_265-80/Колесо зубчатое 1.m3d
Бабка из ступицы/Patron_D200_7100-0007_GOST_265-80/Колесо зубчатое.m3d
Бабка из ступицы/Patron_D200_7100-0007_GOST_265-80/Корпус.m3d
Бабка из ступицы/Patron_D200_7100-0007_GOST_265-80/Корпус.m3d.bak
Бабка из ступицы/Patron_D200_7100-0007_GOST_265-80/Кулачок 1.m3d
Бабка из ступицы/Patron_D200_7100-0007_GOST_265-80/Кулачок 2.m3d
Бабка из ступицы/Patron_D200_7100-0007_GOST_265-80/Кулачок 3.m3d
Бабка из ступицы/Patron_D200_7100-0007_GOST_265-80/Ось.m3d
Бабка из ступицы/Patron_D200_7100-0007_GOST_265-80/Патрон самоцентрирующий трехкулачковый.a3d
Бабка из ступицы/Patron_D200_7100-0007_GOST_265-80/Патрон самоцентрирующий трехкулачковый.a3d.bak
Бабка из ступицы/Patron_D200_7100-0007_GOST_265-80/Рукоятка ключа.m3d
Бабка из ступицы/Patron_D200_7100-0007_GOST_265-80/Фланец.m3d
Бабка из ступицы/Patron_D200_7100-0007_GOST_265-80/Шестерня.m3d
Бабка из ступицы/Бабака перед СБ.a3d
Бабка из ступицы/Бабака перед СБ.a3d.bak
Бабка из ступицы/Бабака перед СБ.jpg
Бабка из ступицы/Бабка Передняя_СБ.cdw
Бабка из ступицы/Бабка Передняя_СБ.cdw.bak
Бабка из ступицы/Крышка.m3d
Бабка из ступицы/Ступица ГАЗ (66-02-3103015).m3d
Бабка из ступицы/Ступица ГАЗ (66-02-3103015).m3d.bak
Бабка из ступицы/Удлинитель шпинделя.m3d
Бабка из ступицы/Удлинитель шпинделя.m3d.bak
Бабка из ступицы/Шпиндель из цапфы ГАЗ66.m3d
Бабка из ступицы/Шпиндель из цапфы ГАЗ66.m3d.bak
Бабка из ступицы/Patron_D200_7100-0007_GOST_265-80
Бабка из ступицы
www.vmasshtabe.ru
Как сделать переднюю бабку для токарного станка самостоятельно?
Первые токарные станки появились еще много лет назад, хотя были они очень простые и примитивные. Суппорт к тому времени всё еще не был изобретен и мастеру, при выполнении работы, приходилось постоянно удерживать резец и совершать вращение обрабатываемого элемента собственноручно или использовать для этой цели крепкую верёвку.
Соответственно, данное занятие было очень трудоёмким и требовало большой физической силы и выносливости работающего человека. Ко всему прочему такая производительность была на очень невысоком уровне.
История возникновения устройства
История токарного станка с суппортом начинается в 1712 году, когда Нартов Андрей Константинович – механик из России первым изобрел данный механизм. Это существенно упростило работу с устройством, ибо токарю теперь не нужно было собственноручно придерживать режущие инструменты во время обработки нужного элемента.
Это изобретение дало мощный толчок, за которым последовало стремительное развитие токарных станков по металлу и дереву.
Хоть создание токарного устройства и суппорта приписывают англичанину Модсли, но русский механик все же опередил его на семьдесят с лишним лет.
Такой агрегат, как токарный станок, независимо от модели, сложен с похожих конструктивных элементов, главным образом определяющих все возможности устройства.
Наименование главных составляющих конструкции токарно-винторезного станка:
- Станина – данный элемент токарного устройства служит ни чем иным как одной из основных опор для обеих бабок и является платформой для перемещения суппорта и задней бабки. Все элементы устройства крепятся на нее. Станина представляет из себя две продольные стеночки, которые для надежности и прочности соединяются поперечными ребрами. Передняя бабка токарного станка закрепляется по левую сторону станины, противоположная сторона – это место размещения задней бабки.
- Передняя бабка – придерживает и вращает по собственной оси обрабатываемую деталь. Во внутренней части данного элемента токарного станка находится шпиндель, совершающий обороты разной частоты в подшипниках качения и тем самым передает вращение обрабатывающейся детали. Внешние стороны обеих стеночек передней бабки оснащены рукоятками коробки скоростей, которые являются переключателями числа и скорости оборотов шпинделя. Инструкция правильного переключения этих ручников для того чтобы поставить необходимое количество оборотов находится в виде таблички из металла на внешней стороне стеночек передней бабки.
- Задняя бабка – поддерживает оставшуюся часть элемента в процессе обрабатывания. Дополнительно ее используют для установления других рабочих инструментов.
- Суппорт – перемещает режущее устройство во всех направлениях к оси токарного устройства.
- Коробка подач – для конструкции практически всех токарных станков характерен данный элемент, вращающий ходовой вал и ходовой винт и меняющий количество их оборотов вокруг своей оси. Существует большое количество систем коробок подач.
- Фартук — используется для изменения движений ходового вала.
- Категорически запрещено на данном устройстве одновременно включать механизм подачи от ходового вала вместе с замыканием маточной гайки на ходовом винте. Данное действие практически во всех случаях приводит к поломке элементов токарного устройства. Для предотвращения этого, в токарном станке находится специальный механизм, блокирующий полностью все устройство.
Основные составные и механизм действия передней бабки
Этот элемент токарного станка — один из основных деталей любого токарного устройства. Именно от него зависит точность расположения обрабатываемой детали и амплитуда ее движений. Кроме передней бабки на всех станках присутствует и задняя – на нее прикрепляется режущий инструмент. Обе бабки закрепляются на станине, которая является основой для любого станка, и имеют различие только своим местоположением.

Существуют еще и шлифовальные станки, на которых дополнительно закреплена третья специальная бабка для шлифовки, отвечающая за перемещение шлифовальной платформы данного устройства.
Существуют такие главные элементы токарного устройства, которые регулируют скорость оборачивания обрабатываемого элемента:
- Два подшипника.
- Шпиндель.
- Шкив.
- Специальная коробка скоростей, которая отвечает за изменение скорости вращения обрабатываемого элемента.
Главным элементом передней бабки токарного станка является шпиндель, основная задача которого состоит в том, чтобы регулировать движение оборачивания на обрабатываемый элемент.
По правую сторону, обращенную к задней бабке, прикреплена резьба. К ней присоединяются патроны, которые удерживают деталь, что обрабатывается. Шпиндель установлен на двух подшипниках, от которых в полной мере зависит точность выполненной работы.
Также во внутренней конструкции передней бабки закрепляется гитара шестерен. Они передают вращение с выходного вала коробки скоростей на вал коробки подач.
Корпус передней бабки является основной платформой для всех составляющих элементов. Его форма напрямую зависит от модели токарного устройства и бывает очень разнообразной. Нижняя поверхность корпуса гладкая, в шпунт, который находится посередине, закрепляются все направляющие.

На внешней стороне передней бабки токарного устройства установлена коробка скоростей, которая работает при помощи зубчатых передач.
Задняя бабка
Данн
i-perf.ru
| Иллюстрация | Описание этапа |
![]() | Подбираем материалы.
|
![]() | Собираем станину. Привариваем швеллеры к уголкам. Уголки должны располагаться по краям швеллеров на расстоянии 60 мм друг от друга. На собранный узел будут приходиться немалые нагрузки, поэтому качество сварных швов должно быть очень высоким. |
![]() | Привариваем опору под переднюю бабку. Заготовленную стальную пластину 300×300 мм располагаем на вершинах уголков и выравниваем. Привариваем пластину к уголкам. |
![]() | Свариваем салазки. К стальной пластине, как показано на фото, привариваем два куска уголка. Один уголок должен крепиться по короткому краю пластины 300×350 мм, а второй уголок — на расстоянии 60 мм от первого. |
![]() | Проверяем качество изготовления салазок. Устанавливаем собранный узел на раннее собранную станину. Салазки должны точно встать на направляющие и, при этом, не должны раскачиваться. |
![]() | Заготовка под подпорку. В уголке длиной 240 мм, с отступом от краев по 20 мм, сверлим по отверстию с диаметром на 12 мм. |
![]() | Делаем подпорку. Подготовленный уголок переворачиваем вершиной вниз и ввариваем, как показано на фото, стальную полосу. Высверливаем отверстия, которые должны совпасть с отверстиями в вершине уголка, и нарезаем в них резьбу. |
![]() | Отверстия для подпорки. В салазках, как показано на фото, сверлим по диагонали отверстия, которые совпадут с отверстиями, сделанными в уголке. Отверстия располагаются по диагонали и не доходят на 10 мм до уголков, приваренных в нижней части салазок. |
| Привариваем гайки под направляющую. В промежутке между уголками привариваем две гайки под резьбовую шпильку. Гайки можно варить по центру зазора или со смещением. Важно, чтобы обе гайки располагались на линии параллельной краю уголков. | |
| Привариваем упор для шпильки. На торце станины, на месте задней бабки привариваем стальную полосу толщиной не менее 5 мм. В приваренной полосе сверлим сквозное отверстие, так, чтобы оно проходило по одной линии с центрами гаек, приваренных на салазках. | |
![]() | Собираем узел станина/салазки. Шпильку пропускаем через гайки, приваренные в нижней части салазок и через боковой упор. |
![]() | Делаем рукоятку на шпильке. Со стороны задней бабки, гайками фиксируем шпильку так, чтобы она прокручивалась, но при этом не ходила вперёд-назад относительно упора. На конец шпильки приваривается ручка, как на фото. Ручку можно собрать из обрезка трубы и полосы металла. |
![]() | Сборка передней бабки. Передняя бабка — это каркас, который удерживает вал со шкивом. Размеры передней бабки будут зависеть от размеров найденного вами вала. В нашем случае, конструкция представляет собой металлический ящик с основанием 300×250 мм. |
![]() | Расположение вала. Вал устанавливаем в передней бабке так, чтобы центр установленного патрона проходил на 50 мм выше салазок. |
![]() | Установка двигателя. Двигатель крепится таким образом, чтобы ведомый и ведущий шкив на нем и на валу совпали. Кроме того, расстояние между шкивами подбирается с учетом длины ременной передачи. |
![]() | Заготовка под полозья резца. Поверх салазок, как показано на фото, привариваются два прутка, поверх которых одеты куски трубки. Трубки должны свободно, но плотно, перемещаться по пруткам. Прутки должны быть расположены параллельно по отношению друг к другу. |
![]() | Сборка узла подачи резца. К свободно ходячим отрезкам трубки приваривается пластина с приваренными в нижней части гайками. В передней части салазок устраивается петля под ворот, как раз напротив гаек на пластине. Через петлю в гайки вкручивается отрезок резьбовой шпильки. Конец шпильки со стороны петель поджимается контрящими гайками, и тут же приваривается рукоятка. |
![]() | Подставка под держатель резца. Поверх подвижной пластины на полозьях наваривается П-образная конструкция. По центру верхней площадки в П-образной конструкции строго вертикально приваривается кусок резьбовой шпильки. |
![]() | Изготовление и установка держателя резца. Из стальной пластины нарезается прямоугольник с размерами 150×200 мм. В центре пластины сверлится отверстие, в который зайдёт шпилька. По краям пластины также сверлятся отверстия, поверх которых подвариваются гайки. В эти гайки вкручиваются болты, которыми можно будет зажать резец. |
![]() | Монтаж патрона. К закреплённому валу крепится патрон. Крепление патрона может быть сваренным или на болтах. Установленный патрон должен надежно удерживаться на валу и должен быть отцентрован. |
![]() | Пробный запуск. Зажимаем в патроне заготовку и включаем токарный станок по металлу в сеть. Пробуем обточить заготовку в один проход. За раз снимаем металл не более 0,5 мм. |
genmontage.ru
Самодельный токарный станок по металлу своими руками: изготовление и эксплуатация
Токарный станок нужен для изготовления и обработки металлических деталей. Профессиональное оборудование стоит довольно дорого, поэтому в целях экономии можно изготовить самодельный токарный станок по металлу своими руками. Сделать это можно несколькими способами, а чертежи подобного изделия легко находятся в интернете. Использовать для изготовления можно подручные материалы, размер же станка может быть любым.

Профессиональный токарный станок имеет высокую стоимость, поэтому имеет смысл изготовить подобное устройство самостоятельно
Составляющие мини-токарного станка по металлу своими руками
Любой самодельный токарный станок состоит из следующих элементов:
- привод – основная часть механизма, которая отвечает за его мощность. Выбор привода необходимой мощности является одной из самых сложных задач. В небольших токарных станках по металлу своими руками можно использовать привод от обычной стиральной машины или дрели. Обычно, мощность этого элемента начинается от 200 Вт, а количество оборотов в минуту – от 1500;
- станина – несущая рама конструкции, которая может быть изготовлена из деревянных брусков или стального уголка. Станина должна характеризоваться высокой прочностью, иначе вся конструкция может развалиться от вибраций во время работы;

Проекция и основные узлы токарного станка по металлу
- задняя бабка – изготавливается из стальной пластины и привариваемого к ней стального уголка. Пластина упирается в направляющие станины, а основным назначением задней бабки токарного станка своими руками является фиксация металлической детали при обработке;
- передняя бабка – часть, аналогичная задней бабке, но устанавливающаяся на подвижной раме;
- ведущий и ведомый центры;
- суппорт – упорный механизм для рабочей части.
Вращательный момент от двигателя к рабочей части станка может передаваться несколькими способами. Кто-то предпочитает напрямую устанавливать рабочую часть на вал двигателя – это экономит место и позволяет сэкономить на запчастях. Если же такой вариант невозможен, крутящий момент можно передавать при помощи фрикционной, ременной или цепной передачи. У каждого из этих вариантов есть свои преимущества и недостатки.
Ременная передача для электродвигателя является самой дешевой и характеризуется достаточно высоким уровнем надежности. Для ее изготовления можно использовать ремень для электродвигателя, снятый с любого другого механизма. Недостаток ременной передачи состоит в том, что со временем ремень может стираться и его придется менять тем чаще, чем интенсивнее вы работаете со станком.

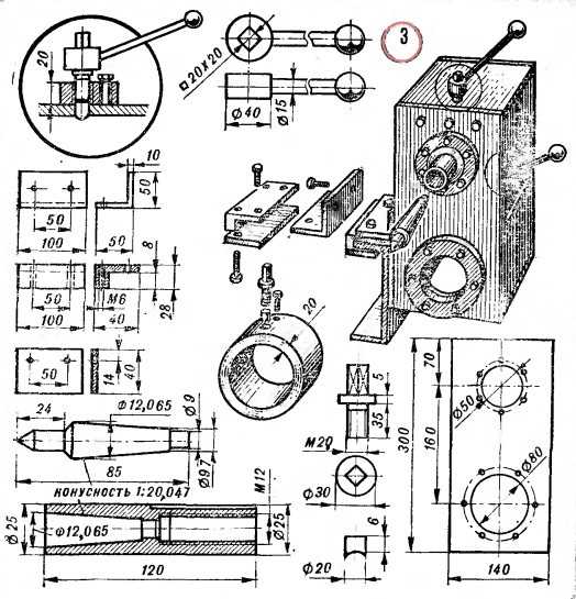
Устройство передней и задней бабки токарного станка. Передняя бабка (слева): 1 — ремень клинообразный; 2 — шкив двухступенчатый; 3 — шпиндель; 4 — подшипник шариковый. Задняя бабка (справа): 1 — корпус; 2 — центр; 3, 6 — рукоятки; 4 — пиноль; 5, 12, 14 — винты; 7 — маховик; 8 — тяга; 9, 10 — рычаги; 13 — гайка
Цепная передача стоит дороже и занимает больше места, но и прослужит значительно дольше, чем ременная. Фрикционная передача имеет промежуточные характеристики между ременной и цепной.
Полезный совет! При сборке токарного станка выбирайте тот тип передачи, который лучше всего будет соответствовать поставленным задачам. Например, для мини-токарного станка своими руками лучше подойдет установка рабочей части непосредственно на вал.
Суппорт токарного станка своими руками: чертежи, как сделать из подручных материалов
Суппорт является одной из самых важных частей самодельного токарного станка – от него зависит качество будущей детали, а также количество времени и сил, которые вы потратите на ее изготовление. Эта часть располагается на специальных салазках, которые перемещаются по направляющим, расположенным на станине. Суппорт может двигаться в трех направлениях:
- продольное – рабочая часть станка двигается вдоль заготовки. Продольное движение используется для вытачивания резьбы в детали или для снятия слоя материала с поверхности металлической заготовки;

Токарный станок по металлу, созданный своими руками
- поперечное – движение перпендикулярно оси заготовки. Используется для вытачивания углублений и отверстий;
- наклонное – движение под разными углами для вытачивания углублений на поверхности заготовки.
При изготовлении суппорта токарного станка своими руками стоит учитывать тот момент, что данная часть подвержена износу в результате возникающих во время работы вибраций. Из-за них крепления расшатываются, возникает люфт, все это влияет на качество изготавливаемой детали. Для того чтобы избежать таких неполадок, суппорт необходимо регулярно подстраивать и регулировать.
Регулировка самодельного суппорта для токарного станка своими руками осуществляется по зазорам, люфту и сальникам. Регулировка зазоров нужна в том случае, когда износился винт, отвечающий за перемещение части в продольной и поперечной плоскостях. В результате трения суппорт начинает расшатываться при нагрузках, что значительно снижает точность изготовления детали. Устранить зазоры можно путем вставки клиньев между направляющими и кареткой. Люфт детали устраняется при помощи закрепляющего винта.
Если же в вашем станке износились сальники, их следует тщательно промыть и пропитать свежим машинным маслом. В случае критического износа сальники лучше полностью заменить на новые.

Устройство суппорта: 1 — каретка суппорта; 2 — ходовой винт; 3 — поперечные салазки суппорта; 4 — поворотная часть суппорта; 5 — направляющие поворотной части; 6 — резцедержатель; 7 — винт для закрепления резцедержателя; 8 — винты для закрепления резцов; 9 — рукоятка для поворота резцедержателя; 10 — гайки; 11 — верхняя часть суппорта; 12 — поперечные направляющие каретки; 13 — рукоятка для перемещения верхней части суппорта; 14 — рукоятка для перемещения поперечных салазок; 15 — рукоятка для включения подачи суппорта от ходового винта; 16 — маховичок для продольного перемещения суппорта; 17 — фартук
Самодельный токарный станок по металлу своими руками: порядок сборки
Сборка механизма выполняется в следующем порядке:
- Из металлических балок и швеллеров собирается рама станка. Если вы собираетесь работать с большими деталями, то и материалы для сборки рамы нужно использовать с расчетом на большую нагрузку. К примеру, если планируется работать с металлическими заготовками длиной свыше 50 мм, толщина материалов для рамы должна начинаться от 3 мм для уголков и от 30 мм – для стержней.
- На швеллеры устанавливаются продольные валы с направляющими. Валы могут быть приварены при помощи сварки или закреплены болтами.
- Изготавливается передняя бабка. Для изготовления передней бабки токарного станка своими руками используется гидравлический цилиндр с толщиной стенок от 6 мм. В цилиндр необходимо запрессовать два подшипника.
- Прокладывается вал. Для этого используются подшипники с большим внутренним диаметром.
- В гидравлический цилиндр заливается смазывающая жидкость.
- Устанавливается шкив и суппорт с направляющими.
- Монтируется электропривод.
Кроме того, по чертежам токарного станка по металлу своими руками видно, что для повышения устойчивости резцового механизма изготавливается подручник, а на нижней части конструкции закрепляется тонкая полоса металла. Последняя служит для защиты рабочей части станка от деформации в процессе работы.

Устройство самодельного токарного станка для обработки металла: 1, 7 — швеллеры; 2 — ходовая труба; 3 — задняя бабка; 4 — поддон для сбора стружки; 5 — суппорт; 6 — ходовой винт; 8 — электрический двигатель; 9 — неподвижная передняя бабка; 10 — лампа в защитном колпаке-отражателе; 11 — сетчатый экран для защиты токаря от стружки; 12 — опора
Полезный совет! Токарный станок по металлу, собранный своими руками, может быть использован не только по прямому назначению, но и для шлифовки и полировки металлических деталей. Для этого к электрическому валу присоединяется шлифовальный круг.
Выбор электродвигателя для станка
Самой важной частью самодельного токарного станка по металлу, видео изготовления которого можно легко найти в интернете, является электромотор. Именно с его помощью осуществляется движение рабочей части станка. Соответственно, от мощности этого механизма зависит мощность всей конструкции. Она выбирается в зависимости от размеров металлических заготовок, с которыми вы планируете работать.
Если вы планируете работать на станке с мелкими деталями, для этого вполне подойдет мотор с мощностью до 1 кВт. Его можно снять со старой швейной машинки или любого другого подобного электроприбора. Для работы с крупными запчастями вам понадобится двигатель с мощностью в 1,5-2 кВт.
При сборке по готовым чертежам самодельного токарного станка по металлу учитывайте, что все электрические части конструкции должны быть надежно изолированы. Если у вас нет необходимого опыта работы с электрическим оборудованием, лучше обратиться за помощью по подключению к специалисту. Так вы будете уверены в безопасности работы и надежности конструкции.

Асинхронный двигатель является оптимальным вариантом для самодельного токарного станка
Изготовление токарного станка из дрели своими руками
Если вы хотите сэкономить на запчастях и значительно упростить себе задачу по сборке самодельного токарного станка, в качестве привода можно использовать обычную электрическую дрель. У такого конструктивного решения есть ряд преимуществ:
- Возможность быстрой сборки и разборки конструкции – дрель легко отсоединяется от станины и может быть использована по прямому назначению.
- Простота переноса и транспортировки станка – хороший вариант, если вам приходится работать с металлическими заготовками в гараже и на улице.
- Экономия – дрель выступает не только в качестве электродвигателя, но и избавляет от необходимости использовать передачу, а также позволяет использовать сменные насадки в качестве рабочего инструмента.
Конечно, есть и отрицательные стороны у токарного станка из дрели. Как сделать обработку с помощью данного инструмента крупных деталей возможной? Это практически неосуществимо, так как у дрели относительно небольшой крутящий момент и большое число оборотов. Конечно, можно повысить эти параметры, если все-таки установить ременную передачу и с ее помощью передавать вращающий момент от дрели на шпиндель, но это в значительной мере усложнит конструкцию, главным преимуществом которой является простота и компактность.

Схема устройства самодельного токарного станка на основе дрели: 1 — крепления к столу или верстаку; 2 — передняя опора; 3 — опора под заготовку; 4 — задняя опора
Изготовление самодельного настольного токарного станка по металлу на основе дрели имеет смысл в тех случаях, когда у вас нет необходимости в проведении масштабных работ, а вытачивать нужно только мелкие детали.
Для изготовления токарного станка по металлу на основе электродрели вам понадобятся те же детали, что и для обычной конструкции за исключением электродвигателя и передней бабки. Роль последней также выполняет дрель. Учитывая компактность конструкции, в качестве станины может использоваться обычный стол или верстак, на котором будут фиксироваться все составляющие станка. Сама дрель закрепляется в конструкции при помощи хомута и струбцины.
Полезный совет! Функциональность токарного станка на основе электродрели можно существенно расширить, если добавить к его конструкции различные насадки и дополнительные приспособления.
С помощью самодельного токарного станка можно не только вытачивать детали, но и наносить на вращающуюся заготовку краску, осуществлять намотку проволоки на трансформатор, делать на поверхности детали спиральные насечки и выполнять многие другие действия. Кроме того, если собрать для станка приставку-копир, то с ее помощью можно быстро и без особых усилий производить небольшие одинаковые детали.

Чертеж передней опоры, внутри которой закрепляется дрель
Особенности работы токарных станков по металлу своими руками, видео-инструкции как способ избежать ошибок
Как и у любого другого оборудования, у самодельных токарных станков есть свои особенности, которые необходимо учитывать при сборке и эксплуатации. К примеру, при работе с крупными деталями или при использовании мощного электродвигателя возникают сильные вибрации, которые могут привести к серьезным погрешностям при обработке детали. Чтобы избавиться от вибраций, ведущий и ведомый центры станка необходимо устанавливать на одной оси. А если планируется устанавливать только ведущий центр, к нему должен крепиться кулачковый механизм.
В настольных токарных станках своими руками по металлу не рекомендуется устанавливать коллекторный двигатель. Он склонен к самопроизвольному увеличению числа оборотов, что может привести к вылету детали. Это, в свою очередь, может привести к производственным травмам или порче имущества. Если же без установки коллекторного двигателя никак не обойтись, в комплекте с ним обязательно нужно устанавливать редуктор для понижения оборотов.
Идеальным вариантом двигателя для самодельного токарного станка является асинхронный. Он не увеличивает частоту оборотов во время работы, устойчив к большим нагрузкам и позволяет работать с металлическими заготовками с шириной до 100 мм.

Самое главное при работе на токарном станке — соблюдение техники безопасности
Правила установки и эксплуатации любого типа электродвигателя для токарного станка можно посмотреть в многочисленных видео-инструкциях в интернете. С их помощью вы не только избежите распространенных ошибок при сборке, но и сэкономите время и силы благодаря наглядности материала.
Техника безопасности при работе с самодельным токарным станком
При работе с конструкцией следует соблюдать определенные меры безопасности. Так, после сборки станка нужно осуществить проверку его работоспособности. Шпиндель должен вращаться легко и без задержек, передний и задний центры должны быть выровнены по общей оси. Центр симметрии вращающейся детали должен совпадать с осью ее вращения.
На любом видео токарного станка своими руками видно, что после монтажа электродвигателя он накрывается специальным кожухом. Последний служит не только для защиты оператора станка, но и для защиты самого мотора от попадания пыли, металлических частиц и грязи. Для станка, изготовленного на основе электродрели, такой кожух не нужен.
Полезный совет! Если вы планируете монтаж конструкции на основе мощного электродвигателя, то обязательно убедитесь в том, что для работы с ним хватает мощности вашей электросети. В домашних условиях лучше обойтись мотором от бытовой техники, который точно будет работать от напряжения в вашей розетке.

Пример токарного станка по металлу, собранного своими руками
Также следует придерживаться следующих правил безопасности:
- Рабочий инструмент обязательно должен располагаться параллельно поверхности обрабатываемой заготовки. В противном случае он может соскочить, что приведет к поломке станка.
- Если вы обрабатываете торцевые плоскости, деталь должна упираться в заднюю бабку. При этом очень важно соблюдать центровку, иначе вы рискуете получить бракованную деталь.
- Для защиты глаз от металлических стружек и частиц можно соорудить специальный щиток или просто пользоваться защитными очками.
- После работы конструкцию обязательно нужно чистить, удаляя металлические опилки и другие отходы производства. Внимательно следите за тем, чтобы мелкие части не попадали в электродвигатель.
Варианты модернизации самодельного токарного станка
Если вам нужен механизм, который сможет не только выполнять токарные работы, но и шлифовать, и красить заготовку, базовый станок можно легко модифицировать. Лучше всего делать это для конструкции на основе электродрели, так как заменить рабочую часть в ней проще всего.

Токарный станок может быть многофункциональным устройством в мастерской, с помощью которого можно выполнять различные работы, в том числе бытовые: заточку ножей, ножниц и пр.
Существует несколько популярных модификаций токарного станка по металлу. Как сделать конусообразное отверстие? Для этого к основанию необходимо прикрепить два напильника таким образом, чтобы они образовывали трапецию. После этого монтируется пружинный механизм, который обеспечивает подачу напильников вперед и под углом, что позволяет сверлить в детали конусообразные отверстия.
Кроме того, для работы с металлическими деталями разной длины можно сделать станок с разборной основой. При помощи нескольких досок или металлических уголков можно приближать или отдалять рабочий инструмент к креплениям, удерживающим деталь, а также менять размер зазора между креплениями. Удобнее всего делать такую конструкцию на основе обычного стола или верстака.
Если прикрепить к электродвигателю в качестве рабочего инструмента шлифовальный круг, при помощи станка можно заниматься не только полировкой поверхности детали, но и заточкой ножей, ножниц и других бытовых инструментов. Таким образом, токарный станок превращается в удобный многофункциональный механизм.

Создание токарного станка своими руками позволит получить оборудование, оптимально подходящее под нужды владельца
Сборка токарного станка в домашних условиях является достаточно простой задачей, которую еще больше упрощают многочисленные видео-инструкции и чертежи из интернета. При этом собрать конструкцию можно буквально из подручных частей, используя для этого старую бытовую технику и отходы монтажного и строительного производства.
Основное преимущество самостоятельной сборки – это экономия средств. Кроме того, стоит отметить возможность самостоятельно регулировать габариты и мощность устройства, чтобы приспособить его под свои нужды. Самодельный станок может быть не только большим, но и совсем миниатюрным, предназначенным для обработки мелких деталей.
Запись Самодельный токарный станок по металлу своими руками: изготовление и эксплуатация впервые появилась Remoo.RU.
www.t-spectr.ru
Самодельный токарный станок по металлу — Дом, дача, огород. — Каталог статей
Рис. 1. Общий вид самодельного токарного станка по металлу.
Многие узлы и детали этого самодельного станка для обработки металлических деталей аналогичны тем, что были использованы в токарном станке по дереву. Поэтому по ходу описания будут ссылки к предыдущей публикации.
Рис. 2. Самодельный токарный станок по металлу.
Два коротких 7 и два длинных швеллера 1 соединены между собой так, что образуют жесткую прямоугольную раму или, как ее еще называют, станину станка. На левом конце рамы укреплена неподвижная передняя бабка 9, а на правом конце опора 12. И передняя бабка, и опора имеют втулки, в которые вставлена ходовая труба 2. Она названа так потому, что по ней перемещаются задняя бабка 3 и суппорт 5.
Шпиндель передней бабки такой же, как и у токарного станка по дереву. Для закрепления деталей на нем устанавливаются поводковый патрон или планшайба 14. Приводится во вращение он от электрического двигателя 8 с помощью клиноременной передачи. Мощность двигателя 500 Вт или немного больше с частотой вращения вала до 3000 мин-1.
Рис. 3. Детали самодельного токарного станка по металлу.
При обработке древесины токарь держит резец руками. При точении же металла поступать так нельзя — усилия, возникающие при снятии металлической стружки столь велики, что удержать резец не хватит силы. Поэтому его крепят в резцедержателе, который должен перемещаться как вдоль обрабатываемой детали от одной бабки к другой (обычно от задней к передней), так и поперек. Резцедержатель устанавливается на суппорте и перемещается поперек него по направляющим типа «ласточкин хвост», а суппорт движется вдоль станка вращением ходового винта 13, закрепленного в подшипниках на передней бабке 9 и опоре 12. На правом конце винта предусмотрен небольшой маховичок 5. Вращая его рукой, и перемещают суппорт в нужном направлении. А чтобы выдержать точность, за маховичком установлено кольцо с делениями. Шаг резьбы равен 2 мм, а при повороте ходового винта на одно деление суппорт переместится на 0,05 мм. Отсчитывать перемещение резца на большие расстояния будет удобнее, если около каждой четвертой риски (а их всего 40) нанести цифры 0,2, 0,4 мм и т. д. Чтобы не запоминать, с какой цифры началась обработка, кольцо сделано поворотным. В начале обработки ноль на риске кольца устанавливается против риски на опоре ходового винта. После этого кольцо закрепляют специальным винтом.

Рис. 4. Детали самодельного токарного станка по металлу.
Кроме резцедержателя, на суппорте установлен лампа 10 в защитном колпаке-отражателе и сетчатый экран 11, защищающий токаря от стружки.
При точении длинных деталей трудно получить одинаковый диаметр по всей длине — от усилия резца дёталь прогибается. В этом случае рекомендуется использовать люнет 16, опорные кулачки которого подпирают обрабатываемую деталь. Люнет передвигается по опорной трубе вдоль детали и закрепляется в нужном положении, как и задняя бабка.
Для сбора стружки под рамой станка устанавливается поддон 4.

Рис. 5. Детали самодельного токарного станка по металлу.
Корпуса передней и задней бабок станка немного длиннее аналогичных корпусов токарного станка по дереву. Поэтому для прочности рекомендуется соединять детали корпуса между собой с помощью сварки. Чтобы избежать перекосов от внутренних напряжений в сварных швах, лучше сварить из двух швеллеров длинную колонну. Только потом от нее отрезаются заготовки нужной длины. На этих заготовках проводится разметка центров будущих отверстий. Особенно тщательно следует разметить отверстия под шпиндель, пиноль и втулки.
Шпиндель, детали его крепления и шкивы у станков одинаковые, поэтому делать новые необязательно, если вы построили токарный станок по дереву. Подойдет по своим характеристикам и электрический двигатель.
Возможности станка можно существенно увеличить, если в дополнение к уже имеющемуся сделать еще один шпиндель для крепления стандартного трехкулачкового патрона.

Рис. 6. Суппорт самодельного токарного станка по металлу.
В пиноли задней бабки целесообразно предусмотреть конические отверстия (так называемый конус Морзе). Они бывают разного размера. Для самодельного токарного станка подойдет отверстие под конус № 1. Его размеры приведены на рисунке 4. В него удобнее устанавливать различные приспособления и инструменты, имеющие конический хвостик. Конус Морзе проще всего изготовить специальной разверткой.
Чтобы легче было извлекать инструмент, винт, перемещающий пиноль, необходимо удлинить, для чего на его конце необходимо проточить цилиндрический хвостовик диаметром 7 мм.
Задняя бабка фиксируется на раме специальной рукояткой. При повороте винт прижимает ее с помощью вкладыша к ходовой трубе. Такое же устройство используется для фиксирования пиноли и люнета. Все перечисленные узлы состоят из одинаковых деталей, и изготовить их не составит труда. Постарайтесь добиться, чтобы поверхность деталей была гладкая, с минимальными зазорами между собой.
Рис. 7. Измерения с помощью часового индикатора.
Корпуса обеих бабок, суппорта и опоры проще всего изготовить из швеллеров № 12 и 14 с плоскими полками. Для ходовой трубы подойдет стальная труба с наружным диаметром 70 мм и толщиной стенки 5 мм. Ходовые винты необходимо выточить из качественной стали. Подшипники для них изготавливаются из бронзы. Маховички могут быть сделаны из любого алюминиевого сплава. На прочие детали идет конструкционная сталь, например сталь Ст. 45. Отрезая заготовки, не забудьте оставить припуски на обработку и подгонку деталей.
Вы можете встретить затруднения при изготовлении суппорта, имеющего направляющие типа «ласточкин хвост». Но работу можно упростить, разделив сложную деталь на два отдельных, более простых элемента. Между собой они собираются на винтах М8 или М10 с потайной головкой.
Ходовые винты нарезаются плашкой. Если есть возможность использовать токарный винторезный станок, то лучше конечно, воспользоваться им и нарезать трапецеидальную резьбу. Такие винты и работают лучше, и меньше изнашиваются. Напоминаем, что на всех ходовых винтах резьба должна быть левой, чтобы при вращении маховичков резец перемещался в том же направлении, что и у заводских станков.
В конструкции станка есть детали, изготовленные из крупных заготовок. К ним относятся резцедержатель, узлы его перемещения, патрон и многие другие. Но можно поступить проще, сделав их составными.

Рис. 8. Детали к самодельному токарному станку по металлу.
Точность станка зависит не только от точности изготовления отдельных деталей, но и от точности сборки. Эту операцию следует проводить в следующей последовательности. Вначале в переднюю бабку установите узел шпинделя. Затем саму бабку закрепите на ходовой трубе болтом Ml0, для чего посередине опорной втулки просверлите отверстие и нарежьте резьбу. Оси шпинделя и ходовой трубы должны быть строго параллельны. Достигается это тщательной обработкой места крепления фланца опорной втулки и установкой прокладок. Параллельность измеряется с помощью часового индикатора, как показано на рисунке 7. Добившись необходимой точности, приступайте к сборке рамы станка. Она, как помните, состоит из двух коротких 7 и двух длинных швеллеров 1. Установите на раме переднюю бабку 9 и спору 12. Поставьте на место ходовую трубу 2. Прежде всего добейтесь параллельности направляющих поверхностей длинных швеллеров и ходовой трубы по всей рабочей длине. Когда требуемая точность будет достигнута, в коротких швеллерах рамы просверлите по четыре отверстия под болты. Ответные им отверстия в корпусах передней бабки 9 и опоры 12 сверлятся с припуском в минус 0,1—0,2 мм для последующей обработки их разверткой. Заметим, что сверлить отверстия в корпусах все сразу не нужно. Сначала воспользуйтесь одним отверстием в швеллере как кондуктором для сверла и просверлите соответствующее отверстие в корпусе. Затем оба отверстия совместно расточите разверткой. Точность взаимного расположения узлов еще раз проверьте и, если никаких отклонений нет, вставьте болт и наверните на него гайку. После этого еще раз убедитесь в точности положения узлов и только тогда приступайте к сверлению следующего отверстия. Если случайно будет допущена ошибка, то не отчаивайтесь — ее можно исправить, просверлив отверстие в другом месте, или рассверлите его под болт большего размера. Закончив работу, не забудьте установить под гайки упругие стальные шайбы.

Рис. 9. Детали к самодельному токарному станку по металлу.
Далее приступайте к установке задней бабки. Проследите, чтобы не произошло смещения осей шпинделя и пиноли задней бабки, иначе при точении вместо цилиндрической будет получаться коническая поверхность. Добейтесь, чтобы оси шпинделя и пиноли лежали на одной прямой, которая, в свою очередь, должна быть параллельна поверхности ходовой трубы. Установите опорную планку, предохраняющую бабку от проворачивания. Грубая регулировка должна производиться передвижением планки, точная — подбором толщины стальных прокладок. При совмещении центр шпинделя должен совпасть с центром пиноли. Правильно отрегулированная бабка должна легко — от руки — перемещаться по ходовой трубе. Качество сборки проверьте часовым индикатором.
При сборке суппорта не требуется высокая точность. Прежде всего установите и отрегулируйте ходовые втулки так, чтобы горизонтальная поверхность корпуса при перемещении была параллельна оси ходовой трубы. Затем установите и отрегулируйте положение опорных планок. Если станок будет эксплуатироваться интенсивно, то для облегчения ремонта и регулирования сделайте планки разъемными — по типу тех, что установлены на задней бабке.
Далее приступайте к установке ходовой гайки и ходового винта. Для выполнения этой операции нужно осторожно снять передний длинный швеллер, чтобы не сбить настройку станины. Наверните гайку на винт и предварительно закрепите его на суппорте. Затем установите подшипники винта на передней опоре. Регулируя взаимное положение гайки, винта и подшипников, добейтесь легкости хода суппорта по всей длине. Последняя операция — установка механизма перемещения резцедержателя. Особой сложностью эта операция не отличается. Нужно только добиться, чтобы резцедержатель перемещался строго перпендикулярно оси ходовой трубы. Закончив работу, установите передний длинный швеллер на свое место.
Станок готов. Теперь следует его покрасить. Красить нужно осторожно, чтобы краска не попала на те детали станка, по которым скользят бабка и суппорт. Будет лучше, если перед покраской вы покроете их толстым слоем консистентной смазки.
Перед работой станок обязательно нужно закрепить на прочном массивном столе или верстаке. Нельзя начинать работу, не убедившись, что деталь в патроне зажата крепко. Для точения следует применять правильно и остро заточенные резцы. Не пытайтесь останавливать станок руками или какими-либо предметами. Нужно дождаться, пока шпиндель остановится сам. Перед работой наденьте на глаза очки и плотно застегните манжеты на рукавах. Работать в незастегнутой рубашке, в галстуке, с непокрытой головой недопустимо. Перед тем, как включить станок, проверьте, смазан ли он. Шпиндель смазывается жидкой смазкой, а пиноль и направляющие — консистентной. Окончив работу, уберите стружку и протрите ветошью все неокрашенные детали станка.
Приложение к «ЮТ» № 4 1986 г.
inmanus.3dn.ru
Самодельный токарный станок по металлу своими руками
Самодельный токарный станок по металлу своими руками не редко становится достойной альтернативой заводскому оборудованию. Если вам требуется проводить у себя в гараже мелкие работы по металлу, отличным решением будет изготовить станок своими руками. Некоторые детали придется приобрести, но в целом вы сможете заслуженно считать полученный агрегат самодельным устройством.
Содержание статьи
Задачи токарного станка
Фото самодельного токарного станка по металлу
Как заводской, так и самодельный станок служит для обработки металлических заготовок, которые вращаются во время выполнения работы.
- Режущий инструмент воздействует на вращающуюся металлическую заготовку, меняя ее форму, конфигурации, размеры;
- При обработке металла значительную роль играют резцы и положение заготовки относительно оси вращения;
- Это предопределяет выбор режима работы станка;
- Простейшие вариации токарных самодельных станков по металлу можно сделать из дрели и ее патрона. Подобные элементарные конструкции, собранные своими руками, позволяют обрабатывать изделия не сложных форм. При работе заготовки не смещаются.
Используя настольные токарные приспособления вы сможете создавать изделия сложных форм — цилиндры, конусы, сферы и пр. Если предусмотреть в устройстве возможность изменения положения заготовок относительно оси вращения, станок превратится в более функциональное оборудование. На нем можно будет изготавливать элементы мебели, декора, интерьера и пр.
Элементы самодельного станка
Чертеж самодельного токарного станка для металла
Если вы решили изготовить станок из дрели или другого исходного приспособления, вам необходимо иметь перед собой чертежи и наглядные видео. С помощью фото и видео инструкций, основанных на выбранных вами чертежах, вам удастся проще добиться желаемого результата.
Следует понимать, что изготовление такого станка — задача не из простых. Потому внимательно изучите чертежи, определите, что из компонентов вы сможете сделать сами, а что лучше приобрести или заказать у специалистов.
В перечень обязательных компонентов будущей конструкции входит:
- Станина. Это основа вашего станка, корпус оборудования, на котором будет размещаться все основные узлы. Определитесь сразу со способом расположения — настольный или напольный.
- Передняя бабка станка. Она же шпиндельная бабка, которая обеспечивает фиксацию заготовок и меняет положение изделия относительно оси вращения.
- Суппорта токарного станка. С их помощью вращательное движение передается от электродвигателя к обрабатываемой заготовке.
- Направляющие. Правильно выполненные направляющие позволяют максимально точно подавать металлические изделия к резцам. Так обработка получается более качественной.
- Задняя бабка станка. Она требуется на тот случай, если нужно зафиксировать заготовки с двух сторон.
- Каретка. С помощью нижней каретки крепятся резцы.
- Используя салазки, вы сможете менять расстояние между задней и передней (шпиндельной) бабкой.
- Блок управления. Он может включать несколько типов передач, которые обеспечивают изменения режимов вращения шпинделя и смещение заготовки относительно режущего инструмента.
Некоторые умельцы создают сразу многофункциональный домашний токарный инструмент. Популярное решение — это функция дрели на станке. Чтобы добиться желаемого эффекта, используются специальные патроны. Этот патрон меняется на агрегате, в результате чего вы можете не только точить, но и сверлить заготовки на одном станке.
Выбрать патрон или сделать — вопрос достаточно серьезный. Если вы настоящий мастер своего дома, сделать патроны своими руками будет не так сложно. Но начинающим токарям лучше приобрести готовые заводские патроны и менять их по мере необходимости.
Этапы изготовления
Решив сделать оборудование, обязательно возьмите на вооружение чертежи. Опираясь на подробную инструкцию, даже новички могут выполнить отличный по качеству станок. Будет он иметь возможность менять патроны и работать в режиме дрели или нет, зависит уже от вас.
- Сначала определитесь с выбором электродвигателя. Некоторые используют моторы от дрели, а также ее патроны. Но это не всегда оптимальное решение. Специалисты советуют выбирать асинхронные электродвигатели достаточной мощности. Они смогут удовлетворить ваши потребности по обработке металла своими руками, а также будут служить достаточно долго без поломок.
- Следующий момент — это передача вращательного момента от электродвигателя к шпиндельной бабке. Тут есть два решения. Первое — бабка устанавливается непосредственно на вал вашего электродвигателя. Второе, более рациональное — применить промежуточные шкивные узлы, имеющие разный диаметр. Такой вариант привлекателен тем, что обеспечивает возможностью регулировать скорость вращения обрабатываемого изделия.
- Вопрос изменения расстояния между бабками специалисты советуют решить при помощи червячного вала. Выбирайте устройство, шаг витков у которого минимальное.
- Шпиндельная передняя бабка тяжела в самостоятельном изготовлении. Потому лучше не рисковать, а приобрести бабку от производителя. В ней имеется необходимый функциональный набор, плюс не придется переживать относительно надежности устройства.
- Фиксировать резцы можно приспособлениями, изготовленными своими руками. Только выполняя фиксаторы, обязательно убедитесь, что они будут регулироваться в двух плоскостях — вертикальной и горизонтальной.
- Крепление к столу. Предусмотрев специальные монтажные отверстия на будущем станке, вы сможете его надежно зафиксировать на столе. Это позволит избежать вибраций и обеспечит высокую точность обработки заготовок.
- Резцы. Некоторые токари резцы изготавливают самостоятельно, причем по качеству они редко уступают заводским изделиям. Для грубой обработки вполне подойдут самодельные резцы, а вот для выполнения более тонких операций мы все же посоветовали бы купить набор заводских инструментов. Вставляя в патрон различные насадки, вы сможете выполнять всевозможные операции по обработке металлических заготовок.
Самодельные станки во многом хороши. При этом важно понимать, что по уровню надежности, безопасности и функциональности достичь уровня заводских моделей они не способны. Потому если вам требуется токарное оборудование на долгосрочную перспективу, лучше не рисковать, не экспериментировать, а купить хороший, проверенный агрегат от ведущего производителя.
tvoistanok.ru






































